産品中心
101/202型電熱恒(héng)溫鼓風幹燥箱
更(gèng)新時間:2025-12-17
簡要描述(shu):
儀器用途:
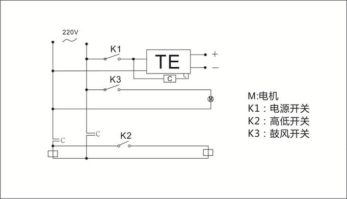
101、202型電熱(rè)恒溫鼓風幹燥箱(xiang)頂點工作溫度均(jun1)爲300℃。它适用于烘焙(bèi)、幹燥箱熱處理或(huo)其他加熱用。也是(shì)實驗室常備儀器(qì)。
幹燥箱之工作溫(wen)度可由室溫升30℃起(qi)至頂點溫度止,在(zai)此範圍内可任意(yi)選定工作溫度,選(xuǎn)定後可借箱内自(zi)動控♻️制系統使溫(wēn)度恒溫。
免費咨詢(xun):
上(shang)一篇:ST系列紡織面(miàn)料圓盤取樣器
返回列表>>


發郵件給我們:

